在线配资-炒股杠杆怎么收费-【东方资本】,股票讲座老师排行榜,推荐几首好股票,今日股市必读
智神科技
網站首頁
網站首頁
關于我們
關于我們
產品中心
產品中心
工程案例
工程案例
下載中心
下載中心
聯系我們
聯系我們
咨詢熱線:400-994-2200
PRODUCTS
鍋爐測控
生物質鍋爐控制
SBC-S-Y1
SBC-S-Y2
SBC-M3
電加熱鍋爐控制
SBC-D-Y1
SBC-D-Y2
SBC-M3
蒸汽熱水鍋爐控制
SBC-Z-Y1
SBC-Z-Y2
SBC-M3
燃油燃氣鍋爐控制
SBC-A-Y1
SBC-A-Y2
SBC-M3-A
真空爐控制
SBC-K-D
醫廢爐控制
MWS500N-16
綜合一體機
SBC-Z-Y6
物聯網(云平臺)
IiOT-M-GPRS
控制柜
B08
B09
B22
工業爐控制
日本島電表系列
日本千野系列
上海大華系列
橫河系列
重慶川儀系列
盤古系列
英國歐陸系列
重慶智神OMI、XMT系列
碳控、氮控專用儀表及探頭
希曼頓產品系列
固態電力模塊
燃氣測控
PTS燃氣比例閥性能曲線測試系統單工位
PTS-5E1A
PTS-5E1B
PTS-5E1C
PTS燃氣比例閥性能曲線測試系統雙工位
PTS-5E2A
PTS-5E2B
PTS-5E2C
PTS燃氣比例閥性能曲線測試系統三工位
PTS-5E2A
PTS-5E2B
PTS-5E2C
泄露與電性能綜合測試儀
雙工位PTS-L&E-2
四工位PTS-L4
電磁閥動作老化測試系統
單工位PTS-M1
雙工位PTS-M2A
TPTS-M1感溫型燃氣比例閥測試系統
TPTS-T3感溫型燃氣比例閥測試系統
PTS-M燃氣比例閥動作測試系統
PCV電磁閥泄漏與電氣性能綜合測試系統
AL-800系列氣密檢測儀
ALS-P燃氣閥可編程智能測漏系統
WTS水流量傳感器測試系統(雙工位)
WTPS-20水比例閥智能測試系統
BTS燃氣電磁閥性能測試儀
HTS燃氣熱水器綜合性能測試系統
燃氣調壓器綜合性能測試系統
高壓安全閥動作與測漏系統
汽車測控
SCT汽車排氣管S5前催氣密性檢測工作站
SCT-AL800-D-A-S5QC
SCT汽車排氣管S5后排氣密性檢測工作站
SCT-AL800-F-A-S5HP
AL-800-SAW汽車排氣歧管水氣雙檢測漏系統
工業爐控制
日本島電表系列
日本千野系列
上海大華系列
橫河系列
重慶川儀系列
盤古系列
英國歐陸系列
重慶智神OMI、XMT系列
碳控、氮控專用儀表及探頭
希曼頓產品系列
固態電力模塊
<
>
單相晶閘管調整器JB系列
立即咨詢
立即購買
產品詳情
■
產品特點
■可利用內部開關切換相位控制方式和分頻控制方式
■可控制阻性負載、感性負載
■標配斜率設定功能、下限設定功能等多種豐富功能
■
規格
■
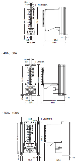
外形尺寸
■
機型
重慶智神科技有限公司
CHONGQING ZISEN TECHNOLOGY CO.,LTD.
二十年科技創業,鑄就智神品牌特色!
Fifteen years of scientific and technological entrepreneurship, cast wisdom, God brand features!
服務熱線:
400-994-2200
友情鏈接
links >
COPYRIGHT ? 2017-2023 重慶智神科技有限公司版權所有
渝ICP備05010382號-1
電子營業執照
QQ在線咨詢
咨詢熱線
400-994-2200
微信掃一掃
關注智神科技